Top.Mail.Ru
Ответы
Аватар пользователя
15лет
Изменено

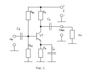
Усилитель на биполярном каскаде. Выходные характеристики.

Дополнен


Перед разделяющим конденсатором Ck поадют напряжение имеющее вид синусоиды, как оно будет выглядеть на выходе?

По дате
По рейтингу
Аватар пользователя
Новичок
15лет

На коллекторе транзистора и постоянная и переменная составляющая.
Постоянное напряжение коллектора "отсечено" конденсатором и "не проходит" к нагрузке.
На нагрузке только переменная составляющая (с Ваших слов синусоида) .

Аватар пользователя
Профи
15лет

На последний вопрос.
Синусоида и останется, только без смещения нулевой точки.